1 HAWK NHDP 120 BAR 2020 Rev 1 07 2022
Technical sheets - NHDP 120 Pump
1 HAWK NHDP 150 BAR 2018 Rev 3 07 2022
Technical sheets - NHDP 150 Pump
2 HAWK NHDP 200 BAR 2020 Rev 1 07 2022
Technical sheets - NHDP 200
1 HAWK NHDP F 2020 Rev 1 07 2022
Technical sheets - NHDP 200 F
HAWK NMT serie 2011 Rev 6 02 2022 commerciale
Technical sheets - NMT Pump
HAWK NMT versioni nichelate serie 2011 Rev 5 02 2022 commerciale
Technical sheets - NMT Nickel Pump
Legenda NPM serie 2013 Rev 5 02 2020 Commerciale
Technical sheets - NPM Pump
Legenda NPM serie 2011nichelate rev 4c
Technical sheets - NPM Nickel Pump
1 HAWK NLT 2013 Rev 10 07 22
Technical sheets - NLTI Pump
Legenda XLTI 2011 Rev 11 04 2022 commerciale
Technical sheets - XLTI Pump
1 HAWK XXT serie 2012 Rev 11 04 22
Technical sheets - XXT Pump
Legenda PX 350 bar 2012 rev 8 02 2021 commerciale
Technical sheets - PXI 350
Legenda PX 500 bar 2012 rev 8 02 2021 commerciale
Technical sheets - PXI 500
HAWK MXT 2015 Rev 10 05 24
Technical sheets - MXT Pump
1 HAWK MPX 350 BAR 2015 Rev 6 09 21
Technical sheets - MPX 350 Pump
HAWK MPX 500 BAR 2015 Rev 6 09 21
Technical sheets - MPX 500 Pump
Legenda HFR 2013 Rev 6 10 25 commerciale
Technical sheets - HFR Pump
HHP serie 2013 rev 4
Technical sheets - HHP 1000 rpm Pump
HHP1450 serie 2013 rev 4
Technical sheets - HHP 1450 rpm Pump
1 GXT Rev 7 04 24 commerciale
Technical sheets - GXT Pump
1 GPX Rev 5
Technical sheets - GPX Pump
1 HAWK TPX Rev 2 11 24
Technical sheets - TPX Pump
Legenda TXT Rev 3 01 2023 commerciale
Technical sheets - TXT Pump
1 Legenda PX 500 bar 2021 EB HEAVY commerciale REV1
Technical sheets - PXI-EB
1 HAWK MPX EB 500bar 2021 Rev 2 03 24
Technical sheets - MPX-EB
2 Esploso GXX Rev 6 11 2024
Technical sheets - GXX Pump
HAWK FOG 2014 Rev 8 commerciale
Technical sheets - FOG Pump
1 Esploso TXX Rev 4 11 2024
Technical sheets - TXX Pump
1 HAWK NHDP 120 BAR 2020 IEC90 100 112 Rev 1 07 22
Technical sheets - NHDP 120 - C
1 HAWK NHDP 150 BAR 2018 IEC100 112 Rev 2 07 2022
Technical sheets - NHDP 150 - C
HAWK FOG 2014 NEMA Rev 8 commerciale
Technical sheets - FOG NEMA Pump
HAWK NHDP 200 BAR 2018 IEC100 112 CAR WASH Rev 2 07 2022 Commerciale
Technical sheets - NHDP 200 - C
HAWK NHDP 2020 NEMA F rev1 Commerciale
Technical sheets - NHDP 200 F NEMA
2 HAWK NHDP 200 BAR G 2020 Rev 1 07 2022
Technical sheets - NHDP-G Pump
Legenda NHDP 2020 NEMA rev0
Technical sheets - NHDP 200 NEMA
5 HAWK NHDP 200 BAR G1 2020 Rev 1 07 2022
Technical sheets - NHDP-G1 Pump
2 HAWK NPM GR serie 275BAR rev 1 commerciale
Technical sheets - NPM-GR Pump
1 HAWK NHDP HY 2020 Rev 1 07 2022
Technical sheets - NHDP-HY Pump
HAWK NMT serie HY 2022 Rev 1 commerciale
Technical sheets - NMT-HY Pump
Legenda NPM HY serie 2022 Rev 1
Technical sheets - NPM-HY Pump
2 HAWK NLT HY 2021 rev 2 07 22
Technical sheets - NLTI-HY Pump
Legenda XLT HY 2020 Rev 1 04 22
Technical sheets - XLTI-HY Pump
1 HAWK XXT HY serie 2020 Rev 04 22
Technical sheets - XXT-HY Pump
Legenda PX 500 HY bar 2020 rev commerciale
Technical sheets - PXI-HY Pump
HAWK MXT HY
Technical sheets - MXT-HY Pump
2 HAWK MPX HY
Technical sheets - MPX-HY Pump
2 HAWK NHDP 200 BAR 2018 CAR WASH Rev 2 07 22
Technical sheets - NHDP-CW Pump
HAWK NMT CARWASH serie 2011 Rev 5 02 2022 commerciale
Technical sheets - NMT-CW Pump
HAWK NMT HT serie 2011 Rev 9 02 2022 commerciale
Technical sheets - NMT High Temperature Pump
Legenda XLTI HT 2015 Rev 15 04 22 commerciale
Technical sheets - XLTI High Temperature Pump
HAWK XXT HT serie 2014 Rev 12 04 22 commerciale
Technical sheets - XXT High Temperature Pump
HAWK MXT HT 2015 Rev 7 09 23
Technical sheets - MXT High Temperature Pump
GXT HT Rev 4 11 21 commerciale
Technical sheets - GXT High Temperature Pump
Legenda XLTI EX 2012 Rev 10 04 22 commerciale
Technical sheets - XLTI Atex Pump
1 Legenda XLTI HT EX 2018 Rev 4 04 22 commerciale
Technical sheets - XLTI Atex and High Temperature Pump
HAWK NHDP EBCH 200 BAR 2022 Rev 1 11 2024
Technical sheets - NHDP-EBCH
HAWK NHDP ESA 200 BAR 2022 Rev 0 6 2024
Technical sheets - NHDP-ESA
HAWK NMT ECOBRASS CHEMICALS 2020 Rev 0 06 2020 Commerciale
Technical sheets - NMT-EBCH
1 HAWK NMT ES serie 2012 rev 7 comm
Technical sheets - NMT Stainless Steel Pump
HAWK NMT ESA serie 2022 rev 3 commerciale
Technical sheets NMT-ESA
Legenda XLT ES 2016 rev 5
Technical sheets - XLTI Stainless Steel Pump
HAWK NMT ECOBRASS CAR WASH 2020 Rev 2 03 2021 Commerciale
Technical sheets - NMT-EBCW Pump
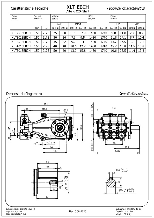
Legenda XLT EBCH 2020 Rev 0 06 20 commerciale
Technical sheets XLTI-EBCH
2 HAWK XLT ESA 2020 Rev 2 12 24
Technical sheets XLTI-ESA
1 HAWK MXT EBCH 2021 Rev 3 11 24
Technical sheets MXT-EBCH
1 HAWK MXT ESA 2024 Rev 1 11 24
Technical sheets MXT-ESA
NHDP MOT EL
Technical sheets - Motopumps NHDP
3 ELETTROPOMPA NMT
Technical sheets - Motopumps NMT
NHDPHY MOT HY rev 1
Technical sheets - Hydraulics Motopumps NHDP
1 NMTHY MOT HY
Technical sheets - Hydraulics Motopumps NMT
NPMHY MOT HY
Technical sheets - Hydraulics Motopumps NPM
2 NLTHY MOT HY
Technical sheets - Hydraulics Motopumps NLTI
XLTHY MOT HY
Technical sheets - Hydraulics Motopumps XLTI
XXTHY MOT HY
Technical sheets - Hydraulics Motopumps XXT
PX2150HY MOT HY
Technical sheets - Hydraulics Motopumps PXI
1 MXTHY MOTHY INGRANAGGI
Technical sheets - MXT-HY Pump (Gear motor)
2 MXTHY MOTHY PISTONI
Technical sheets - MXT-HY Pump (Piston motor)
MPXHY MOTHY INGRANAGGI
Technical sheets - MPX-HY Pump (Gear motor)
MPXHY MOTHY PISTONI
Technical sheets - MPX-HY Pump (Piston motor)
NHDHY MOT HY VBT MAN VALV SIC rev1
Technical sheets - Complete hydraulics Motopumps NHDP
1 905 230 0 Motopompa Africa NHDP Rev 0 09 24 Produzione
Technical sheets - Complete electric Motopumps NHDP
1 905 049 0 Rev 0 08 22
Technical sheets - Complete electric Motopumps NMT
Motori IEC H100 Rev 1
IEC100 - hollow shaft
Motori IEC H112 Rev 1
IEC112 - hollow shaft
Motori IEC H132 Rev 1
IEC132 - hollow shaft
Motori IEC H132 DF Rev 1
IEC132 - Double flange
Motori IEC H160 DF Rev 2 06 19
IEC160 - Double flange
Motori IEC H180 DF rev1
IEC180 - Double flange
Motori IEC H80 B3 B14 Rev 1
IEC080 - B3/B14
Motori IEC H90 B3 B14 Rev 1
IEC090 - B3/B14
Motori IEC H100 B3 B14 Rev 1
IEC100 - B3/B14
Motori IEC H112 B3 B14 Rev 1
IEC112 - B3/B14
4 Flange Rev 1 01 19
Flanges
Giunti Rev 2 04 21
Flexible Couplings
Flange HYD
Flanges & couplings for Hydraulic Motors
3 Gear Box sgs Rev 3 01 22
Gearbox NHDP
1 Gearbox Riduttori 13 17 7 23 kW Rev 2 06 24
Gearbox NMT-NPM-NLTI-XLTI-XXT-PXI
1 Gearbox Riduttori 55 kW Rev 0 05 21
Gearbox 55kw
NVBR 1 905 530 0 rev 0
Technical sheets - NVBR
VBR3050 1 905 051 0 Rev 1 11 24
Technical sheets - VBR3050
NVBC 1 904 987 0 rev 0
Technical sheets - NVBC
NVBH 1 904 988 0 rev 0
Technical sheets - NVBH
NVBXL 1 905 037 0 210 bar Rev 0 04 22
Technical sheets - NVBXL
VBT 100 BAR 1 904 300 0 1 099 494 0 FOG rev4
Technical sheets - VBT for FOG
VBT 210 BAR 1 099 396 0 1 099 485 0 NHD rev6
Technical sheets - VBT for NHDP
VBT 210 275 BAR 1 904 412 0 1 099 486 0 1 099 871 0 1 099 487 0 NMT NPM rev5
Technical sheets - VBT for NMT/NPM
Pulsar 4RV 1 099 506 0 280 BAR Rev 4
Technical sheets - PULSAR 4RV
VB85 280 1 099 504 0 280 BAR Rev 1
Technical sheets - VB85-280
VRT3 PS6 1 905 046 0 280 BAR Rev 0
Technical sheets - VRT3
VB140 160 1 904 268 0 160 BAR Rev 2 05 21
Technical sheets - VB 140-160
VB200 150 1 099 502 0 150 BAR Rev 1
Technical sheets - VB 200-150
VB350 1 099 501 0 350 BAR Rev 1
Technical sheets - VB 350
VRPP 170 1 904 283 0 150 BAR Rev 0 05 21
Technical sheets - VRPP170
VB200 280 9 853 301 0 200 BAR Rev 0 06 21
Technical sheets - VB200/280
VRPP 200 280 1 904 943 0 200 BAR Rev 0 06 21
Technical sheets - VRPP200/280
VB450 200 1 904 934 0 200 BAR Rev 0 06 21
Technical sheets - VB450/200
VRPP 450 200 1 904 936 0 200 BAR Rev 0 06 21
Technical sheets - VRPP450/200
VBR500 rev 2
Technical sheets - VBR500
VB60 600 1 099 510 0 600 BAR Rev 1
Technical sheets - VB60-600
VB40 1000 1 905 849 0 1000 BAR Rev 0 05 21
Technical sheets - VB40-1000
VES 1 099 482 0 210 bar Rev 1
Technical sheets - VES
4 VB80 280 9 853 352 0 280 BAR Rev 1
Technical sheets - VB80-280
NVBR NICKEL 1 905 059 0 Rev 0 10 22
Technical sheet - NVBR CW
1 NVBR HT 1 905 057 0 Rev 0 09 22
Technical sheets - NVBR-HT
1 NVBXL HT 1 905 058 0 210 bar Rev 0 09 22
Technical sheet - NVBXL-HT
VBHT33 1 099 509 0 280 BAR Rev 2 05 21
Technical sheets - VBHT33
1 VB80A 280 1 099 514 0 280 BAR ATEX Rev 1
Technical sheets - VBA80-280
VSN 275 BAR 1 099 495 0 G3 8 M G1 4 F Rev 2
Technical sheets - VSN
VS 310 1 099 493 0 310 BAR Rev 2 06 21
Technical sheets - VS310
VS350 1 099 499 0 350 bar Rev 1
Technical sheets - VS350
VS360 1 099 511 0 350 BAR Rev 1
Technical sheets - VS360
VS200 200 1 099 503 0 200 bar Rev 2 08 23
Technical sheets - VS200/200
VS 450 300 1 904 939 0 300 BAR Rev 1 09 22
Technical sheets - VS450/300
VS500 1 099 500 0 500 BAR Rev 1
Technical sheets - VS500
VS660 1 905 827 0 660 BAR Rev 1 12 22
Technical sheets - VS660
VS1100 1 905 850 0 1100 BAR Rev 1 12 22
Technical sheets - VS1100
VS80 400 1 099 513 0 400 BAR ATEX Rev 1
Technical sheets - VS80-400 ATEX
VS 26 9 853 765 0 280 BAR Rev 1 12 22
Technical sheets - VS26 AISI316
Pistola ROSSA 1 905 144 0
280 Spray Gun
Pistola BLU 1 905 143 0
360 Spray Gun
Valvole generatrici di pressione
Jetter valves
Frizione magnetica 241602 Mag Clutch rev 3 07 18
Magnetic clutch NHDP series
Frizione magnetica 241601 Mag Clutch rev 3 07 18
Magnetic clutch NMT/NPM series
1 905 829 0 NHD1515HYR 1 905 830 0 NHD1520HYR
Technical sheets - Hydraulics Motopumps

Search by Product.

Scroll through the complete list of Hawk pumps available, or enter the name of the model to see all search results.

Search byApplications.

Hawk pumps are used for an endless range of applications. Click on the application that best meets your needs and view all the results available.

Search by Pressure and Flow rate.

Want to search for a Hawk pump based on technical characteristics? Enter a value for the pressure and/or flow rate. A list of Hawk pumps that meet all your parameters will be displayed.